
Animal manure, from cattle feedlot wastes for example, can be converted into biochar. Photo: courtesy of Chris Stuart.
Reforestation.me – Terra Preta, biochar, charcoal, climate change, agroforestry, environment, carbon fixation / carbon sequestration, slash-and-burn agriculture, slash-and-char, slash-and-smoulder, soils, reforestation, mycorrhizal fungi, manure, human manure.
Biochar
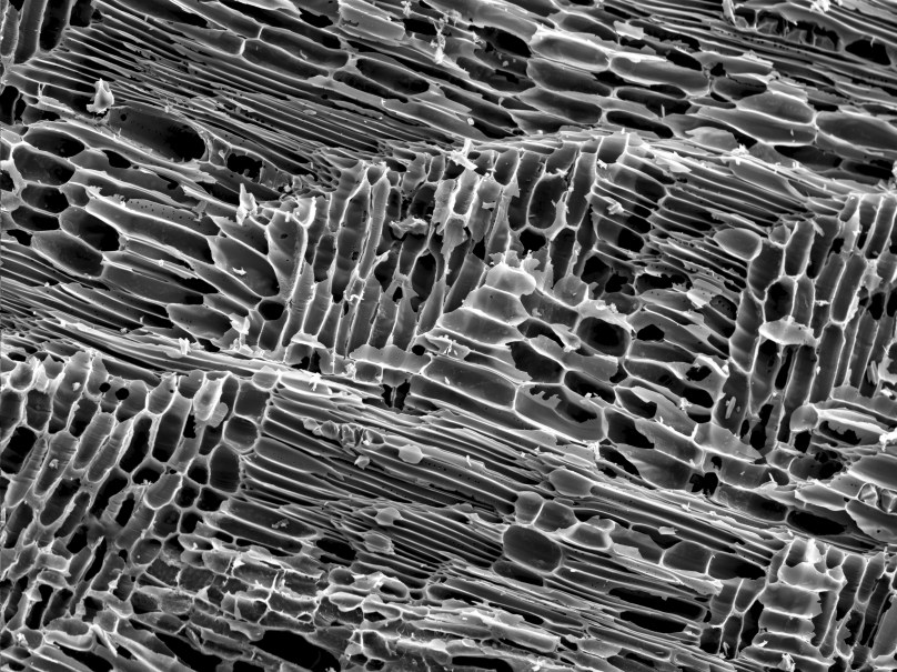
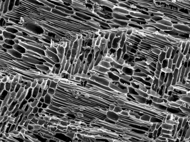
Adding charcoal or charred material, (and ash), to soils can increase plant growth and food yield, and act as a bank of long-lasting organic matter, and generally speaking, the more the better. It is therefore likely that plants that produce a large volume of material (bulk rather than weight – biomass is usually measured in tons/ha/yr), that is light and porous (see photo below), will be best for producing quality biochar in the quantities desired. More research will probably determine whether large pores are more important, or small pores, or a distribution of pore sizes, for promoting beneficial micro-organisms, or retaining nutrients, etc.
Also, plant materials that have a higher nutrient content may be better, perhaps for example, Tithonia and Erythrina spp.
Finally, opportunities exist to use invasive weed species, creating a win-win situation.

SEM image of pores in biochar made from rubber trees. Photo: http://www.geos.ed.uk
Some plants that produce large volumes of material quickly that may be suitable:
Some of the plants listed would need to be dried first, chopped up, and lightly charred, before adding to soils (e.g. water plants and succulents).
Papyrus, Cyperus alternifolius, Typha spp., water hyacinth, bamboos, Super Napier grass stems, Arundo donax, sorghum, sugar cane, Tithonia, kenaf, hemp, sunflowers, etc.
Some dry climate plants that may be suitable:
Opuntia spp., Portulacaria afra, Sansevieria spp., Eucalyptus spp.
Some trees that may be suitable:
Inferior quality materials could be used such as crooked or knotty trunks, prunings, thinnings, smaller branches, bark, etc.
Colder climate trees
Poplars, willows, Pinus spp., Paulownia, etc.
Mediterranean climate trees
Pinus radiata, P. halepensis, P.canariensis, Acacia spp., Eucalyptus spp., etc.
Tropical and Equatorial trees
Pinus caribaea, Moringa spp., Bombax/Ceiba spp. and related trees, Balsa, annual and perennial Sesbania spp., Trema spp., Acacia spp., Falcataria, Eucalyptus spp., Erythrina spp., etc.
***
Bone char
downloadBoneCharAlternativePhosphorus
*
Zai pit biochar cycle
A concept outline for utilising biochar in zai holes and fuel efficient stoves for co2 fixation and long term carbon sequestration:
*
Feeding biochar to livestock
Some recent research has shown that it is both economically and ecologically beneficial to utilise livestock by feeding them biochar, followed by dung beetles incorporating the biochar/manure into soil: Josephetal2015Pedosphere-Feedingbiochartocows
See also some very interesting videos on YouTube. Try searching for “Dr. Bernard Doube dung beetles” and “Doug Pow biochar”.
Biochar could be fed to livestock by combining it with sprouted seed fodder, for a dual health benefit to the livestock, followed by dung beetles and earthworms incorporating the manure/char into the soil.
I did a small experiment comparing wheat seeds sprouted normally, and on a bed of 2.5cm of charcoal. See the photo below:

Sprouts grown normally on the left, Sprouts grown on charcoal on the right. Day seven. The char sprouts appear to be about 20% bigger, and presumably about a 20% increase in dry weight. David Clode.
*

Buckwheat growing more than two times bigger on 5cm/2 inches of charcoal. Both the sprouts and the charcoal or biochar are good for livestock, and the manure/biochar incorporated into soil by dung beetles and earthworms improves the soil, plant growth, and livestock productivity, in an ongoing synergistic cycle. Experiment and photo by David Clode.
*
The whole combination of sprouts and char could be fed to livestock.
Also, my Supplemented Fodder Treatment includes various potential uses for biochar:
FodderSupplementGuideAugTwentyFive
*
*
Here are some papers kindly supplied by Getachew Agegnehu (a doctoral candidate at James Cook University in Cairns Australia) on biochar, compost, plant growth and soil improvement:
Biochar-compost on soil quality%2c yield &GHG flux (STOTEN)
Biochar-compost on soil quality and crop yield (AEE)
Biochar-compost on soil quality and crop growth (SR)
Getachew is from Ethiopia, and is a scholar and a gentleman. One can only hope that his work will be of great benefit to people across Africa, and elsewhere.
*
Nutrients in ash
In an experiment in Peru, the ash from a partially burnt 17 year old forest had the following composition:
nitrogen 1.72% ( 67kg/ha), phosphorus .14% (6kg/ha), potassium .97% (38kg/ha), calcium 1.92% (75kg/ha), magnesium .41% (16kg/ha), iron .19% (7.6kg/ha), manganese .19% (7.3kg/ha), zinc 132 ppm (.3kg/ha), copper 79 ppm (.3kg/ha).
It should be noted that the nutrient content of ash is dependent on variations in soil properties and percentage of forest biomass actually burned. Sanchez and Salinas, 1981, in Tivey 1990.
Terra Preta
For a possible way of making Terra preta, see the article “Making Terra preta“: making terra preta 090212 . See also the page “Roof garden, Zai holes, circle gardens”. The article contains some speculation (which may turn out to be wrong), and is a work in progress. Below is a research paper on cattle feedlot manure biochar:
Sinclair-Slavich-van-Zweiten-Downie-2009 .
Understandably, most research into Terra preta has been in South America, but the following reference details a less well-known example of improving soils by charring organic matter and soil in Ethiopia: Charring cattle manure ands soil in Ethiopia . (Reference: Troeh, Frederick R. (1980). Soil and water conservation for productivity and environmental protection. Prentice Hall. ISBN 0-13-822-155-3).
In this example, the charred manure and soil might be better spread out to form rectangular beds, horizontally on the contour, with paths in between to catch water. During the fallow period, sowing an annual Sesbania species (e.g. Sesbania sericea) especially where the water collects, could increase fertility, shorten the fallow period, add more biomass, and provide fuel wood for fuel-efficient stoves (with the charcoal added to fields, possibly by feeding to livstock to disperse it in their manure), or be burnt with the manure and soil to provide a more woody biochar component to the soil.
*
*
*
References and some sources for more information on biochar:
Tivey, J. (1990). Agricultural Ecology. Longman Scientific & Technical. ISBN 0-582-30163-7. Pge. 82.
s42773-023-00287-xEarthwormsBiochar
molecules-26-05584BiocharUsesInAgriculture
http://www.biocharindia.com/biochar-trench-mound
http://www.biochar-international.org/
http://www.biochar-international.org/regionalgroups/southeastasia
http://www.biochar-international.org/node/1797
Http://www.biochar-international.org/Closing_the_loop_in_Germany
See also the biochar links on the “Links” page (click on the button at the top of the page).
*
Bamboo can be very productive and can be used to make a good quality biochar. A company called Clenergen in India has tissue cultured Bambusa balcooa for energy production, see http://www.clenergen.com/biomass/bamboo/ , and http://www.ecoplanetbamboo.co.za/ , but this could also be a breakthrough for biochar production. Even more biomass production, for either fuel wood, energy production, or to produce biochar, may be possible if the bamboo is combined with a fast-growing, nitrogen-fixing tree, possibly Falcataria moluccana or Sesbania spp. Trials are needed.
***
Reforestation.me





Definitely, what a splendid site and illuminating posts, I will bookmark your website.Best Regards!
LikeLike
Thank you, Janis, I appreciate your encouraging comment.
best wishes,
David
LikeLike
I really like your writing style, wonderful information, appreciate it for posting : D.
LikeLike
You have brought up a very great points , regards for the post.
LikeLike
Rattling instructive and great complex body part of content , now that’s user pleasant (:.
LikeLike
Love this site and I will return. – fineblogs.net
LikeLike
Fabulous post! Biochar, Terra preta | reforestation.me seriously makes my morning a bit happier 😀 Keep going with the amazing articles! Cheers!!
LikeLike
What you posted was actually very reasonable. However, think on this, what if you were to write a awesome headline? I mean, I don’t want to tell you how to run your website, however suppose you added something that makes people want more? I mean Biochar, Terra preta | reforestation.me is a little vanilla. You might peek at Yahoo’s front page and note how they create article titles to grab viewers to open the links. You might add a related video or a picture or two to grab people interested about everything’ve got to say. Just my opinion, it could bring your website a little livelier.
LikeLike
I’m really glad that I arrived accross your blog site. As i’ve look at this web site put up of yours, I couldn’t concur more. Thanks for that details you discuss. Unquestionably ideal. You have got pointed out the primary factors which should be emphasized. I’m wanting ahead to studying your long term weblogs. Thank you, Cheers mate!
LikeLike
I simply want to mention I am just beginner to weblog and honestly loved your web-site. Most likely I’m want to bookmark your blog . You actually come with tremendous writings. Bless you for sharing with us your webpage.
LikeLike
I really like your writing style, excellent information, appreciate it for posting :D. “Nothing sets a person so much out of the devil’s reach as humility.” by Johathan Edwards.
LikeLike
Thanks everyone for your helpful input.
LikeLike
There is certainly a great deal to learn about this subject. I really like all of the points you have made.
LikeLike
路过不如看过,看过不如评过。
LikeLike
I am not sure where you’re getting your info, but great topic.
I must spend a while finding out more or working out more.
Thanks for great info I was in search of this information
for my mission.
LikeLike